|
MML Zoom Lenses are high-performance lenses with integrated coaxial episcopic illumination designed based on telecentric optics.
Multiple zooming. long wrking distance. and an integrated coaxial episcopic illumination system that covers the entire view allow for recognition of all types of objects. Manual type products and electric zoom type ones with a stepping motor are available.
|
Hig-resolution Super low magnification motor zoom lens
|
|
ML-Z01515DM

* Magnification range : 0.15X to 1.5 (Zoom ratio of 10.1)
* WD = 219 mm.
* Includes integrated coaxial episcopic illumination system that cover the entire.
|
| Item / Model |
ML-Z01515DM
(Click for drawing) |
| Optical Magnification |
0.15 x to 1.5 x (zoom ratio of 10:1) |
| WD |
219+/- 10mm |
| z |
at 0.15x |
at 0.47x |
at 1.5x |
| Effective FNO |
6 |
9.9 |
16 |
| Depth of field |
21.3mm |
3.5mm |
0.6mm |
| Resolution |
27um |
14um |
7.5um |
| NA |
0.01 |
0.02 |
0.05 |
| TV Distortion |
-0.15% or less |
-0.02% or less |
+0.06% or less |
| Operation Method |
Electric motorized (pulse control) zoom |
| Weight |
About 1,900g |
| Largest Compatible Camera |
1/2" |
| Mount |
C-mount |
* Depth of field is calculated assuming a horizontal 320 TV resolution using a 1/2" CCD camera.
(permissiblecircle of confusion on the image-formation side: 40um)
* Resolution indicates a theoretical resolution at a wavelength of 550nm.
|
Hig-resolution low magnification motor zoom lens
|
|
Manual type : ML-Z0220D
Electric motorized type : ML-Z0220DM

* Magnification
range : 0.2X to 2X (zoom ratio of 10:1)
* WD : 173 mm.
* Includes integrated coaxial episcopic illumination system that cover the entire view.
* A special light is attached.
__Coaxial light guide (super random specification) L = 800 mm.
__Color fillter (red, green)
are attached.
|
| Item / Model |
|
|
| Optical Magnification |
0.2x to 2x (zoom ratio of 10:1) |
| WD |
173+/- 4mm |
| z |
at 0.2x |
at 1x |
at 2x |
| Effective FNO |
3.6 |
11.5 |
20 |
| Depth of field |
7mm |
0.9mm |
0.4mm |
| Resolution |
12um |
7.8um |
7um |
| NA |
0.03 |
0.04 |
0.05 |
| TV Distortion |
0.03% or less |
0.15% or less |
0.13% or less |
| Operation Method |
Manual zoom |
Electric motorized (pulse control) zoom |
| Weight |
About 1,100g |
About 1,900g |
| Largest Compatible Camera |
1/2" |
| Mount |
C-mount |
* Depth of field is calculated assuming a horizontal 320 TV resolution using a 1/2" CCD camera.
(permissiblecircle of confusion on the image-formation side: 40um)
* Resolution indicates a theoretical resolution at a wavelength of 550nm
|
|
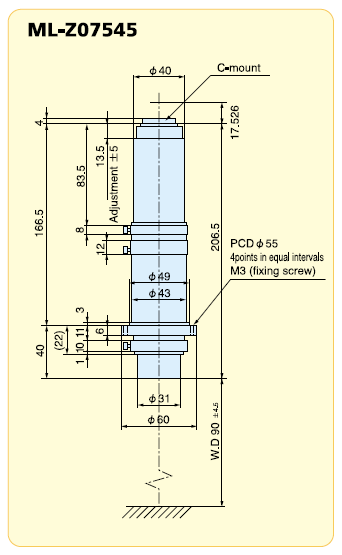
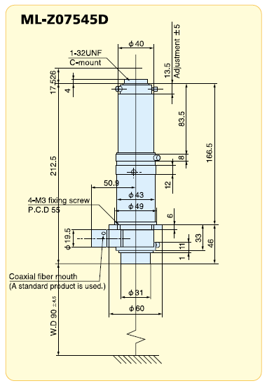
ML-Z07545 Series
Functional, standard zoom lenses. Using optional adaptor lenses can change the magnification range and working distance.
* Magnification range : 0.75X to 0.45X (Zoom ratio of 6:1)
* WD = 90 mm.
* Integrated coaxial episcopic illumination system that covers entrie view.
Focus adjustmentfunction is mounted. (WD can be changed to -6 mm)
|
| Item / Model |
|
ML-Z07545D
(Click for drawing) |
|
ML-Z07545DM
(Click for drawing) |
| Optical Magnification |
0.75X to 4.5X (zoom ratio of 6:1) |
| WD |
90 +/-4.5 mm |
80 +/-4.5 mm |
90 +/- 4.5 mm |
| Focus adjustment |
0~-6 mm |
| |
x 0.75 |
x 2 |
x 4.5 |
| Effective FNO |
11 |
16 |
28 |
| Depth of field |
1.6 mm |
0.3 mm |
0.1 mm |
| Resolution |
9.9 um |
5.4 um |
4.2 um |
| NA |
0.03 |
0.06 |
0.08 |
| TV Distortion |
0.02% or less |
0.01% or less |
-0.02% or less |
Operation Method
|
All models have focus.iris, and zoom.
ML-Z07545D-PL contains an intermal polarizing filter. ML-07545DM has an electric
motorized zoom (pulse control).
|
| Weight |
About 440 g |
About 470 g |
About 490 g |
About 1100g |
| Largest Compatible Camera |
1/2" |
| Mount |
C-mount |
* Depth of field is calculated assuming a horizontal 320 TV resolution using a 1/2" CCD camera.
(permissiblecircle of confusion on the image-formation side: 40um)
* Resolution indicates a theoretical resolution at a wavelength of 550nm
* Effective FNO indicates a value when the iris is open.
|
Option : Sold Sepparately
|
|
Proxar Lens : ML-Z Series
Attath on the tip of the lens to change magnification and working distance.
|
Model |
Focus
Position |
ML-Z07545 |
ML-Z07545D/DM |
Min Magnification Max |
WD |
Matching |
Min Magnification Max |
WD |
Matching |
| ML-Z03 |
Near |
x 0.24 ~ x 1.43 |
255 mm |
O |
x 0.23 ~ x 1.4 |
263 mm |
*
Coaxial illumination cannot cover the entire view.
|
Middle |
x 0.23 ~ x 1.36 |
283 mm |
x 0.22 ~ x 1.25 |
292 mm |
Far |
x 0.21 ~ x 1.21 |
325 mm |
x 0.21 ~ x 1.25 |
325 mm |
| ML-Z04 |
Near |
x 0.31 ~ x 1.87 |
195 mm |
O |
x 0.31 ~ x 1.84 |
200 mm |
*
Coaxial illumination cannot cover the entire view. |
Middle |
x 0.3 ~ x 1.81 |
211 mm |
x 0.3 ~ x 1.81 |
216 mm |
Far |
x 0.29 ~ x 1.72 |
229 mm |
x 0.29 ~ x 1.72 |
234 mm |
| ML-Z05 |
Near |
x 0.38 ~ x 2.27 |
160 mm |
O |
x 0.37 ~ x 2.25 |
163 mm |
*
Coaxial illumination cannot cover the entire view. |
Middle |
x 0.37 ~ x 2.24 |
170 mm |
x 0.37 ~ x 2.21 |
174 mm |
Far |
x 0.36 ~ x 2.22 |
181 mm |
x 0.36 ~ x 2.17 |
185 mm |
| ML-Z07 |
Near |
x 0.52 ~ x 3.17 |
114 mm |
O |
x 0.52 ~ x 3.16 |
115 mm |
*
Coaxial illumination cannot cover the entire view. |
Middle |
x 0.53 ~ x 3.16 |
119 mm |
x 0.52 ~ x 3.16 |
121 mm |
Far |
x 0.53 ~ x 3.17 |
125 mm |
x 0.52 ~ x 3.16 |
126 mm |
| ML-Z14 |
Near |
x 1.03 ~ x 6.21 |
53.4 mm |
O |
x 1.03 ~ x 6.21 |
53.8 mm |
O |
Middle |
x 1.05 ~ x 6.33 |
54.7 mm |
x 1.06 ~ x 6.37 |
55.1 mm |
Far |
x 1.08 ~ x 6.49 |
56.1 mm |
x 1.08 ~ x 6.49 |
56.5 mm |
| ML-Z20 |
Near |
x 1.45 ~ x 8.77 |
32.1 mm |
O |
x 1.46 ~ x 8.77 |
32.3 mm |
O |
Middle |
x 1.49 ~ x 9.01 |
32.7 mm |
x 1.5 ~ x 9.09 |
32.9 mm |
Far |
x 1.54 ~ x 9.26 |
33.4 mm |
x 1.54 ~ x 9.35 |
33.6 mm |
* Magnification and working distance can be slightly changed by turning the focus adjuster ring (N<------>F)
indicated values are based on calculation formulas. Actual measurement may be different because of tolerance.
Thay cannot be mounted on ML-Z07545D-PL.
|
|
Rear Cconverter lens : ML-Z2X
A specially
designed 2X rear convertor. Mounting this between a lens and CCD camera can double the magnification without changing working distance.
* May decrease the resolution.
|
Manual Click zoom lens
|
|
ML-Z0315D
A manual Click system allows for + / - 0.5 % magnification repeatability .
Magnification can be adjusted between five different levels.
* Magnification range : 0.3X to 1.5X (Click one of five level)
* WD = 151.2 mm .
* Integrated coaxial episcopic illumination system that covers the entire view. |
| Item / Model |
ML-Z0315D (Click for drawing) |
| Optical Magnification |
0.3x to 1.5x (zoom ratio of 5:1) |
| WD |
151.2 +/- 7.6 mm |
| Zoom click position |
x 0.3 |
x 0.6 |
x 0.8 |
x 1.2 |
x 1.5 |
| Effective FNO |
9.3 |
11.1 |
12.4 |
14.7 |
16.5 |
| Depth of field |
8.2 mm |
2.4 mm |
1.5 mm |
0.8 mm |
0.6 mm |
| Resolution |
20.8 um |
12.4 um |
10.4 um |
8.2 um |
7.4 um |
| NA |
0.02 |
0.03 |
0.03 |
0.04 |
0.05 |
| TV Distortion |
-0.09% |
-0.05% |
-0.02% |
+ 0.03% |
+ 0.06% |
| Operation Method |
Manual click zoom |
Zoom click accuracy
|
Magnification repeatability +/-0.5 |
| Weight |
About 520 g |
| Largest Compatible Camera |
1/2" |
| Mount |
C-mount |
* Depth of field is calculated assuming a horizontal 320 TV resolution using a 1/2" CCD camera.
(permissiblecircle of confusion on the image-formation side: 40um)
* Resolution indicates a theoretical resolution at a wavelength of 550nm
|
|
|
|
|